Programmation et tests sur la mini-serre
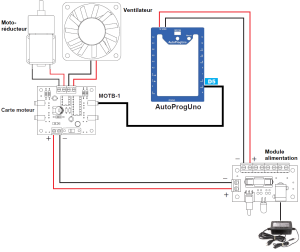
EFFECTUER le raccordement du ventilateur sur la borne « 5 »
CONVERTIR l'algorigramme du paragraphe précédent en un programme en langage C (compilation).
RÉCUPÉRER le code dans un fichier Arduino (1.0.1).
TÉLÉVERSER le programme dans la carte à microcontrôleur.
EFFECTUER les essais de manière à valider le fonctionnement.
Méthode : Compilation
EFFECTUER les modifications (programme) pour faire fonctionner le ventilateur 5 secondes toutes les 10 secondes.
Méthode : Modifications
REVENIR à Flowcode, MODIFIER l'algorigramme et le RENDRE CONFORME aux nouvelles spécifications.
COMPILER de nouveau.
Attention : Modifications
NE PAS TENTER une modification directe du code dans le programme Arduino généré !
FAIRE VALIDER le fonctionnement par le professeur

