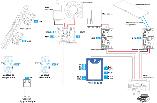
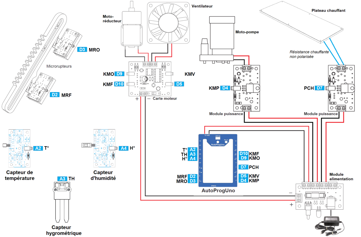
Câblage mini-serre
ENTRÉE |
| SORTIE | ||
|---|---|---|---|---|
Fonction | Broche | Fonction | Broche | |
Bouton poussoir | D13 | Pompe | D4 | |
Ventilateur | D5 | |||
Capteur de température | A2 | Brumisateur | D6 | |
Capteur d'hygrométrie | A3 | Plateau chauffant | D7 | |
Capteur d'humidité | A4 | Afficheur OLED | D8 | |
Moteur ouverture fenêtre : KMO | D9 | |||
Fin de course fenêtre fermée : MRF | D2 | Moteur fermeture fenêtre : KMF | D10 | |
Fin de course fenêtre ouverte : MRO | D3 | |||
