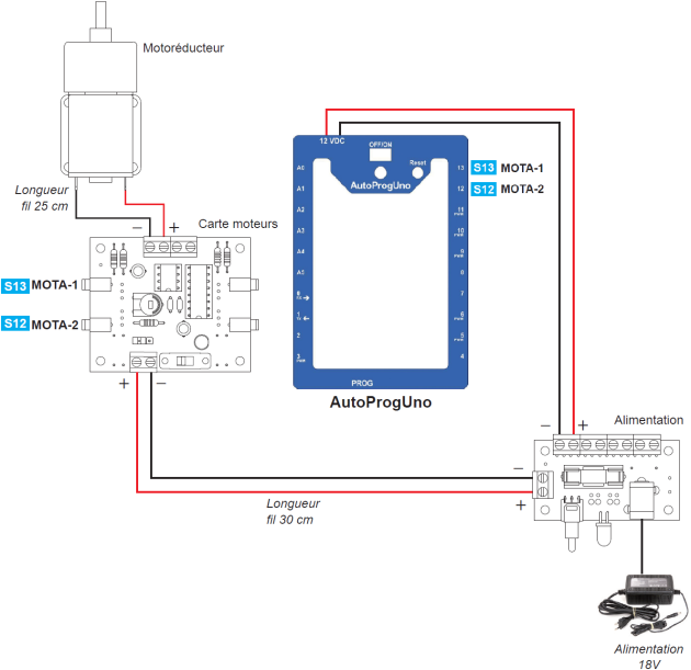
Motorisation de la fenêtre
L'aération est un point essentiel de la culture sous serre. En assurant la bonne ventilation de votre serre de jardin, vous optimiserez la croissance de vos plantes et éviterez le développement des maladies et moisissures.
L'ouverture de la fenêtre s'effectue par une transmission roue dentée-crémaillère et un Motoréducteur 6-24 V, ratio 1024 : 1.



